To support the protection of personal data and maintain the right to personal privacy, in the following statement, will explain to you the purposes, categories, and the scope and method of use of the collection of personal data,
as well as the related rights you are entitled to exercise. To get more infomation, please see our privacy policy。
Products
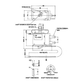
YL-4306 / Resistor
THERMOSTATS FOR CAR COOLERS
-
OE# 64 11 6 923 204
-
OE# 64 11 6 923 204
| 產品型號 | 產品名稱 | 規格 |
| YL-4306 | for BMW E39/E53 - OE# 64 11 6 923 204 |
|
其他相關產品
Resistor
for BMW E39/E53
Pressure Switch
for A/C & Commercial
refrigeration
Power Relay
for Ford
Telstar
